Welcome!
Login
How it works
All sectors
Concrete Design
Foundation Design
Steel Design
Connection Design
Design Loads
All languages
English
All standards
ACI 318
AISC
ASCE-7
Sort by
Date
Downloads
Transfer of Horizontal Force at Base of Column
Design for Transfer of Horizontal Force at Base of Column where The Footing Surface is not Intentionally Roughened as per ACI 318-11 Chapter 12
Concrete Design - English - ACI 318
Tension Controlled Limit for Prestress Members
Tension Controlled Limit for Prestressed Flexural Member as per ACI 318-11 Chapters 10 & 18
Concrete Design - English - ACI 318
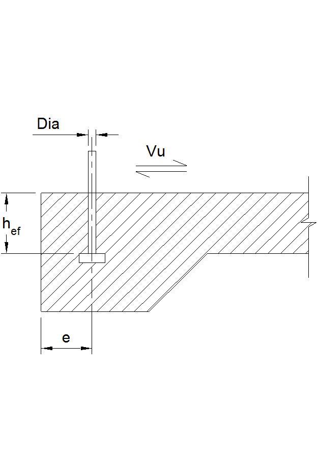
Single Headed Anchor Near to Edge
Design a Single Headed Anchor Bolt in Shear Near an Edge as per ACI 318-11 Appendix D
Concrete Design - English - ACI 318
Single Headed Anchor in Tension
Design a Single Headed Anchor Bolt in Tension Away from Edges as per ACI 318-11 Appendix D
Concrete Design - English - ACI 318
Single Adhesive Anchor in Tension Away from Edges
Design a Single Adhesive Anchor in Tension Away from Edges as per ACI 318-11 Appendix D
Concrete Design - English - ACI 318
Shear Strength at Column Support
Shear Strength of Slab at Column Support as per ACI 318-11 Chapter 11
Concrete Design - English - ACI 318
Shear Reinforcement at Opening
Check Shear Reinforcement at Opening as per ACI 318-11 Chapter 11
Concrete Design - English - ACI 318
Shear Reinf Section Subject to Shear&Axial Tension
Design of Shear Reinforcement for Section Subject to Shear & Axial TensionAs per ACI318-11 Chapter 11
Concrete Design - English - ACI 318
Shear Reinf Section Subject to Shear&Axial Compr
Design of Shear Reinforcement for Section Subject to Shear & Axial CompressionAs per ACI318-11 Chapter 11
Concrete Design - English - ACI 318
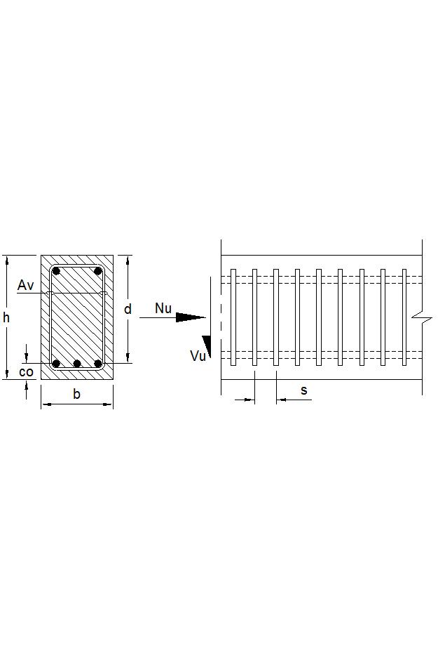
Shear Reinf for Section Subject to Shear & Flexure
Design of Shear Reinforcement for Section Subject to Shear & Flexure as per ACI318-11 Chapter 11
Concrete Design - English - ACI 318
1
2
3
4
5
6
7