Welcome!
Login
How it works
All sectors
Concrete Design
Foundation Design
Steel Design
Connection Design
Design Loads
All languages
English
All standards
ACI 318
AISC
ASCE-7
Sort by
Date
Downloads
Shear Design of Wall
Shear Design of Wall as per ACI 318-11 Chapter 11
Concrete Design - English - ACI 318
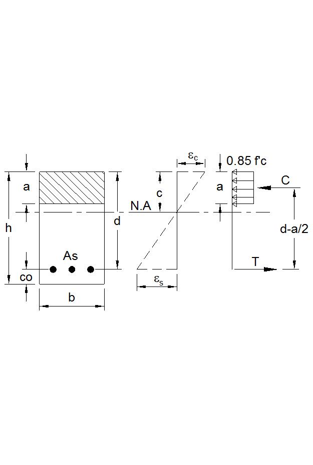
Rectangular Section with Tension Reinforcement Onl
Design of Rectangular Section with Tension Reinforcement only as per ACI 318-11 Chapters 9 & 10
Concrete Design - English - ACI 318
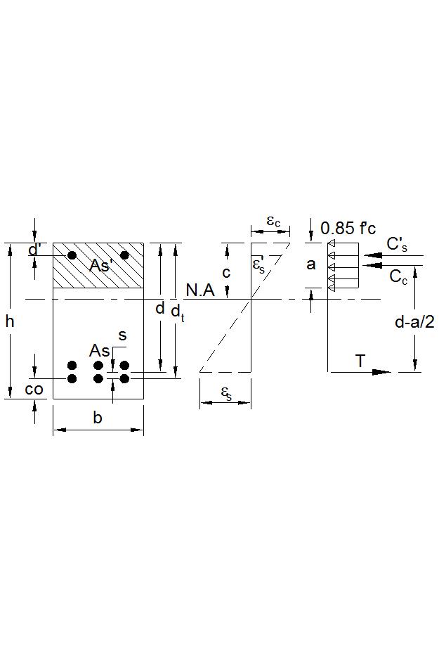
Rectangular Section with Compression Reinforcement
Design of Rectangular Section with Compression Reinforcement as per ACI 318-11 Chapters 9 & 10
Concrete Design - English - ACI 318
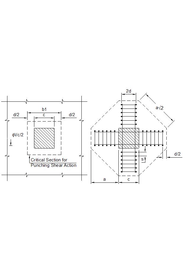
Punching Shear Strength of Slab with Shear Reinf
Design Shear Reinforcement for Slab which to resist Punching Stress around Interior Square ColumnAs per ACI318-11 Chapter 11
Concrete Design - English - ACI 318
Prestressed Losses
Estimating Prestress Losses as per ACI 318-11 Chapter 18
Concrete Design - English - ACI 318
Precast Spandral Beam Design for Shear and Torsion
Design Precast Spandrel Beam for Combined Shear and Torsion as per ACI 318-11 Chapter 11
Concrete Design - English - ACI 318
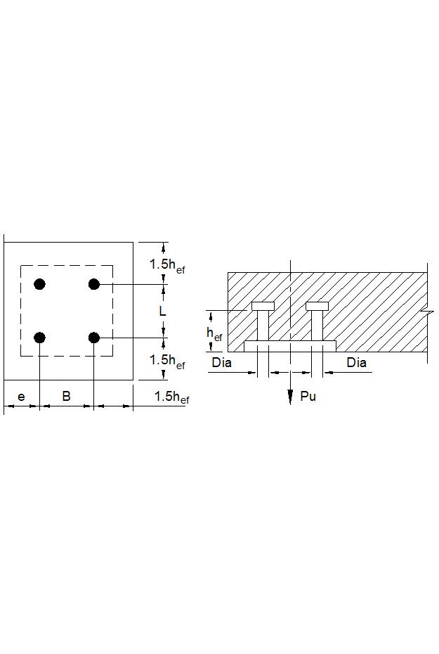
Group of Headed Anchors in Tension
Group of Headed Studs in Tension Near an Edge as per ACI 318-11 Appendix D
Concrete Design - English - ACI 318
Flexural Strength of Prestresses Member
Flexural Strength of Prestressed Member Using Approximate Value of fpsAs per ACI 318-11 Chapters 10 & 18
Concrete Design - English - ACI 318
Flanged Section with Tension Reinforcement Only
Design of Flanged Section with Tension Reinforcement only as per ACI 318-11 Chapters 9 & 10
Concrete Design - English - ACI 318
Development Length for Bars in Tension
Calculating Development Length of Bars in Tension as per ACI 318-11 Chapter 12
Concrete Design - English - ACI 318
1
2
3
4
5
6
7