Welcome!
Login
How it works
All sectors
Concrete Design
Foundation Design
Steel Design
Connection Design
Design Loads
All languages
English
All standards
ACI 318
AISC
ASCE-7
Sort by
Date
Downloads
Design Two Way Slab Using Direct Method
Design Two-Way Slab without Beams Analyzed by the Direct Design MethodAs per ACI 318-11 Chapter 13
Concrete Design - English - ACI 318
Design of Shear Friction
Design of Shear Friction as per ACI 318-11 Chapter 11
Concrete Design - English - ACI 318
Design of One Way Joist
Design of One Way Joist as per ACI 318-11 Chapters 9 & 11
Concrete Design - English - ACI 318
Design of Horizontal Shear
Design of Horizontal Shear for Composite Slab and Precast Beam as per ACI 318-11 Chapters 11 & 17
Concrete Design - English - ACI 318
Deflection of Simple Support Beam Uniform Loads
Calculation of Deflection for Simple Support Concrete Beam Under Uniform LoadsAs per ACI 318-11 Chapter 9
Concrete Design - English - ACI 318
Deflection of Shored Nonprestressed Composite Beam
Calculation of Deflection of Shored Nonprestressed Simple Support Concrete Composite SectionAs per ACI318-11 Chapter 9
Concrete Design - English - ACI 318
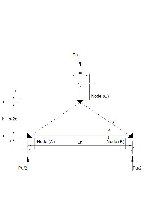
Deep Flexural Member by the Strut-and-Tie Model
Design of Simple Span Deep Beam by the Strut-and-Tie Model as per ACI318 Appendix A
Concrete Design - English - ACI 318
Cracking Moment for Prestresses Sections
Cracking Moment Strength for Prestressed Sections as per ACI 318-11 Chapter 18
Concrete Design - English - ACI 318
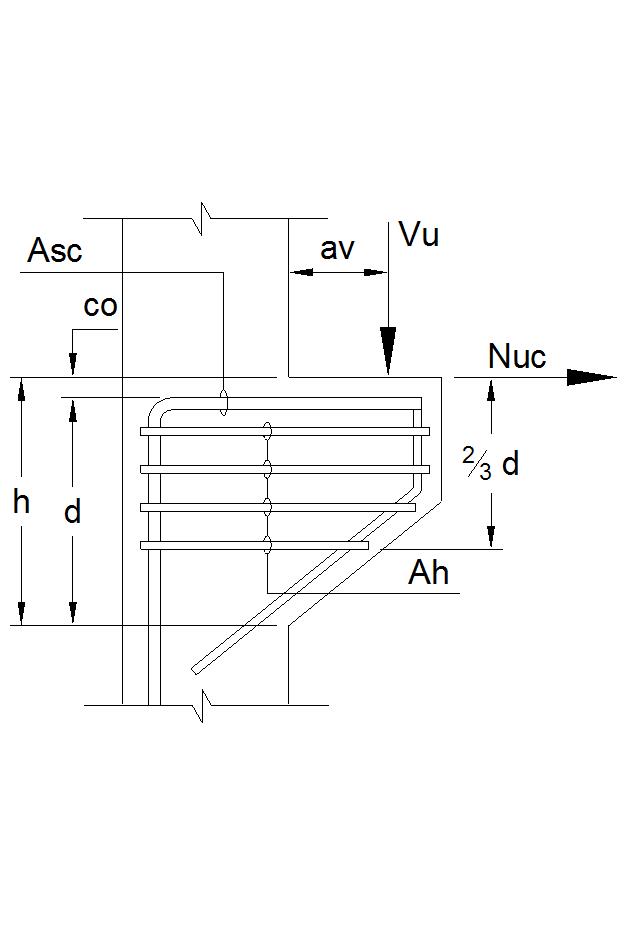
Corbel Design
Design of Corbel as per ACI 318-11 Chapter 11
Concrete Design - English - ACI 318
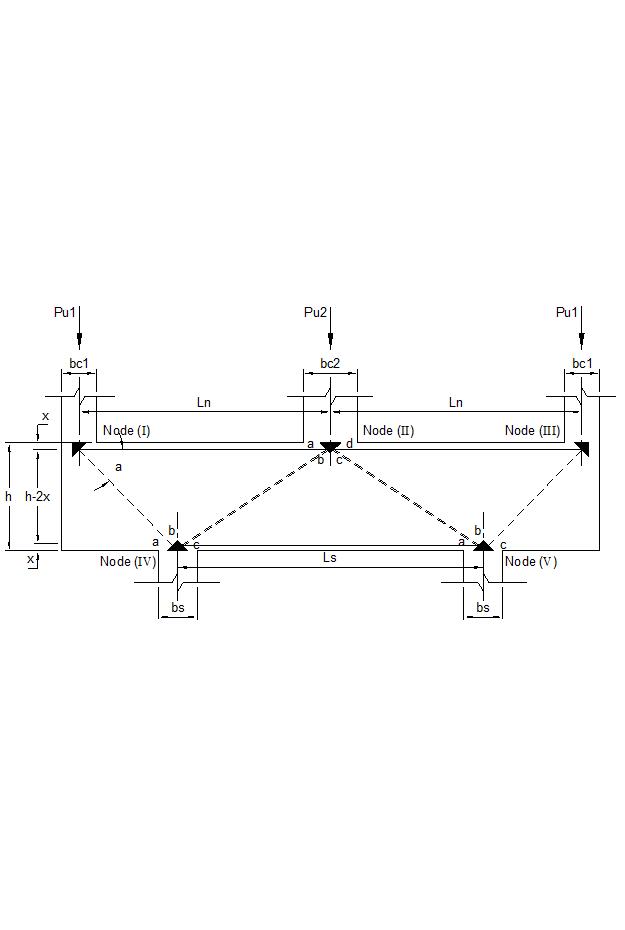
Continuous Deep Beam by the Strut-and-Tie Model
Design of Continuous Deep Beam by the Strut-and-Tie Model as per ACI318 Appendix A
Concrete Design - English - ACI 318
1
2
3
4
5
6
7