Welcome!
Login
How it works
All sectors
Concrete Design
Foundation Design
Steel Design
Connection Design
Design Loads
All languages
English
All standards
ACI 318
AISC
ASCE-7
Sort by
Date
Downloads
Bearing Wall Using Empirical Method
Design of Bearing Wall by Empirical Method as per ACI 318-11 Chapters 10 & 14
Concrete Design - English - ACI 318
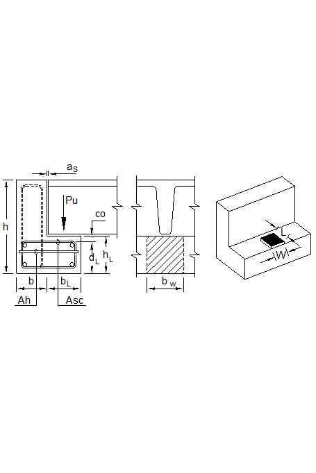
Beam Ledge Design
Design of Beam Ledge as per ACI 318-11 Chapters 9 & 11
Concrete Design - English - ACI 318
1
2
3
4
5
6
7